山东ld体育网址-ld体育欢迎你有限公司
联系人:李经理
联系电话:13276363035
QQ:867220900
公司地址:山东省潍坊市高新区光电路155号光电产业加速器(一期)
PRODUCT
联系人:李经理
联系电话:13276363035
QQ:867220900
公司地址:山东省潍坊市高新区光电路155号光电产业加速器(一期)
产品型号:TH-WQX8
产品品牌:云境天合
更新时间:2026-04-30
一、智慧灯杆环境传感器产品简介
山东ld体育网址-ld体育欢迎你有限公司作为专业研发生产销售微型气象仪的企业,一直致力于微型气象仪和气象环境解决方案推广应用。具有完整的生产链、实力雄厚的技术团队和全面的营销团队,我们研发生产的超声波风速风向仪、五要素微气象仪、六要素微气象仪和小型自动气象站等气象产品,已广泛应用到气象监测、城市环境监测、风力发电、航海船舶、航空机场、桥梁隧道等领域,客户遍布全国各地,并取得了良好的社会效益和经济效益。
与传统的微型气象仪相比,我司产品克服了对高精度计时器的需求,避免了因传感器启动延时、解调电路延时、温度变化而造成的测量不准问题。
TH-WQX8型八要素微气象仪创新性地将气象标准参数(风速、风向、温度、湿度、气压、pm2.5、pm10、噪声)通过一个高集成度结构来实现,可实现户外气象参数24小时连续在线监测,通过数字量通讯接口将八项参数一次性输出给用户。产品结构紧凑,外形美观、大方、高度集成。
二、智慧灯杆环境传感器产品特点
1、顶盖隐藏式超声波探头,避免雨雪堆积的干扰,避免自然风遮挡
2、原理为发射连续变频超声波信号,通过测量相对相位来检测风速风向
3、风速、风向、温度、湿度、气压、pm2.5、pm10、噪声八要素一体式
4、采用先进的传感技术,实时测量,无启动风速☆
5、抗干扰能力强,具有看门狗电路,自动复位功能,保证系统稳定运行
6、高集成度,无移动部件,零磨损
7、免维护,无需现场校准
8、采用ASA工程塑料室外应用常年不变色
9、产品设计输出信号标配为RS485通讯接口(MODBUS协议);可选配232、USB、以太网接口,支持数据实时读取☆
10、可选配无线传输模块,最小传输间隔1分钟
11、探头为卡扣式设计,解决了运输、安装过程松动不准的问题☆
三、智慧灯杆环境传感器技术参数
1)风速:0~70m/s(±0.1m/s);
2)风向:0~360°(±1°);
3)空气温度:-40℃~85℃(±0.3℃);
4)空气湿度:0~100%RH(±2%RH);
5)大气压力:300hPa~1100hPa(±0.02hPa);
6)PM2.5:0-1000ug/m3(±15%)
7)PM10:0-1000ug/m3(±15%)
8)噪声:30~130dB(±1.5dB)
9)蓝牙:内置蓝牙模块,可连安卓手机;
10)有线传输:485转USB,可直连电脑;
11)数据存储:不少于50万条;
11)生产企业具有ISO9001质量管理体系认证和计算机软件注册证书
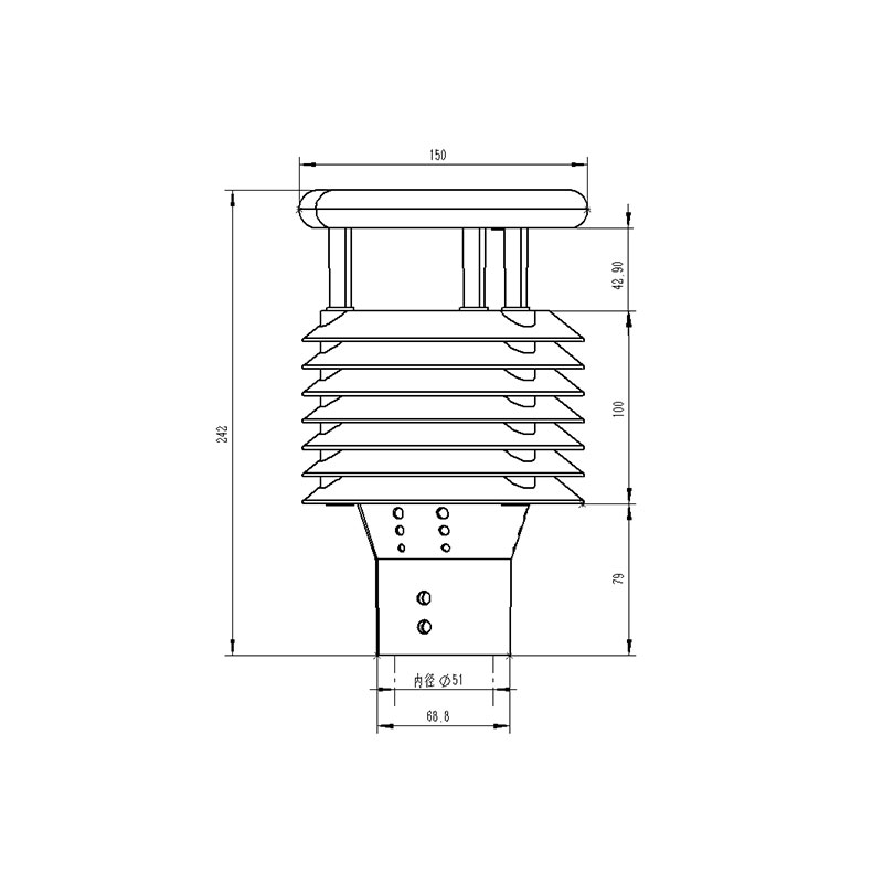
四、智慧灯杆环境传感器产品尺寸图

五、智慧灯杆环境传感器产品结构图

1、控制电路
2、指北箭头
3、超声波探头
4、百叶箱PM2.5、PM10
5、温度、湿度、噪声、气压监测位置
6、法兰转换头
※此产品可选配电子罗盘功能
六、智慧灯杆环境传感器产品接线定义

定义 | 备注 | |
VCC | 电源正 | DC12V |
GND | 电源地 | |
485A | RS485A | |
485B | RS485B |
本文网址:https://www.ytqxz.com/zhldqxhj/102.html