山东ld体育网址-ld体育欢迎你有限公司
联系人:李经理
联系电话:13276363035
QQ:867220900
公司地址:山东省潍坊市高新区光电路155号光电产业加速器(一期)
PRODUCT
联系人:李经理
联系电话:13276363035
QQ:867220900
公司地址:山东省潍坊市高新区光电路155号光电产业加速器(一期)
产品型号:TH-ZF1
产品品牌:云境天合
更新时间:2026-04-30
一、蒸发量传感器工作原理
应用压力式测量原理,通过测量蒸发皿内液体重量变化,再计算出页面高度,从而测得蒸发量。能够适应各类环境的水面蒸发测量,不受液体结冰的影响,克服了使用超声波原理测量液面高度时出现的结冰时测量不准、无水时易损坏传感器、测量精度低等弊端。
二、蒸发量传感器适用范围
水面蒸发传感器是用来感知水面蒸发量变化的传感器,可以观测水面蒸发在不同时间段的变化规律,适用于气象观测、植物栽培、种子培养、农林业、地质勘测、科学研究等领域。
既可与自动加水装置、数据采集发送装置等配套使用,实现蒸发过程自动监控,也可与数据采集存储装置(记录仪)组合使用,实现蒸发数据的自动存储,还可与雨量传感器、数据采集发送装置等搭配使用,实现蒸发、降雨过程的自动观测和远程传输。
三、蒸发量传感器功能特点
1.可以防止太阳直晒引起的蒸发误差,拥有比同行业产品更高的测量精度值,响应速度快;
2.整机选用304不锈钢材质制成,耐腐蚀,不起锈,外观精美,保证传感器使用寿命;
3.压力式测量原理,使用高精度的称重原理测量蒸发皿内液体的重量变化,计算出液面高度,从而测量得到蒸发量,测量更准确,数据更科学;
4.双层防护的设计结构,该产品采用双层不锈钢设计,可以隔离外界干扰,使测量结果更加准确;
5.停电后再通电,输出数据依然正确;
四、蒸发量传感器工作及存储条件
工作温度:-40~85°C
工作湿度:0~100%RH
储存湿度:<80%(无凝结)
五、蒸发量传感器技术参数
供电电压:12V DC
测量范围:0~190mm
测量精度:±1%
信号输出:485 Modbus-RTU
响应时间:200ms
内桶口径:φ200mm
防护等级:IP66
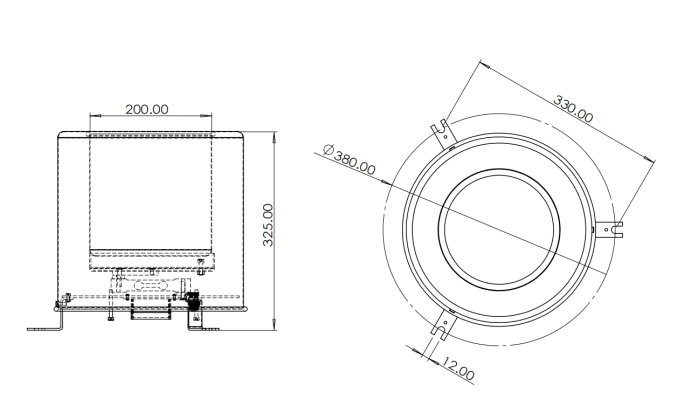
六、蒸发量传感器产品尺寸图

七、蒸发量传感器安装指导
1.安装位置选择须知
设备安装地点应高出地面且须装在水泥底座上,防止雨水淹没底盘及倒灌进设备内部从而引起设备短路或线路故障。
2.安装步骤
将产品拆箱,把外壳、内胆、底座放置于水平地面准备安装,安装步骤如下:
A去掉底部顶丝
B将内胆放置于底座托盘上
C将外壳罩在底座底盘上
D转动外壳使外壳底部螺栓孔与底座托盘螺栓孔对齐后插入螺栓拧紧
E将组装好的设备固定于预先制作好的水泥底座上
本文网址:https://www.ytqxz.com/nycgq/1236.html