山东ld体育网址-ld体育欢迎你有限公司
联系人:李经理
联系电话:13276363035
QQ:867220900
公司地址:山东省潍坊市高新区光电路155号光电产业加速器(一期)
PRODUCT
联系人:李经理
联系电话:13276363035
QQ:867220900
公司地址:山东省潍坊市高新区光电路155号光电产业加速器(一期)
产品型号:TH-CQX5
产品品牌:云境天合
更新时间:2026-04-30
气象实时ld体育网址-ld体育欢迎你由气象传感器,气象数据记录仪,气象环境监测软件三部分组成,设备广泛应用于工农业生产、旅游、科研、气象等城市环境监测和其它专业领域。
一、气象实时ld体育网址-ld体育欢迎你由气象传感器,气象数据记录仪,气象环境监测软件三部分组成,设备广泛应用于工农业生产、旅游、科研、气象等城市环境监测和其它专业领域。
二、气象实时ld体育网址-ld体育欢迎你产品简介
TH-CQX5气象实时ld体育网址-ld体育欢迎你是一款高度集成、低功耗、可快速安装、便于野外监测使用的高精度自动气象观测设备。
超声波五要素气象站设备免调试,可快速布置,广泛运用于气象、农业、林业、环保、海洋、机场、港口、科学考察、校园教育等领域。
与传统的超声波气象站相比,我司产品克服了对高精度计时器的需求,避免了因传感器启动延时、解调电路延时、温度变化而造成的测量不准问题。
该设备创新性的采用五要素一体式传感器,可对风速、风向、温度、湿度、气压等气象要素进行实时观测,可实现户外气象参数24小时连续在线监测,通过数字量通讯接口将五项参数一次性输出给用户。
三、气象实时ld体育网址-ld体育欢迎你产品特点
1、顶盖隐藏式超声波探头,避免雨雪堆积的干扰,避免自然风遮挡
2、原理为发射连续变频超声波信号,通过测量相对相位来检测风速风向
3、风速、风向、温度、湿度、气压五要素一体式传感器
4、标配GPRS传输
5、两米碳钢支架,顶部无需法兰盘可直接套接传感器
6、传感器外壳采用进口ASA材质,更有效对抗盐雾等环境,防护等级达到IP65以上
四、气象实时ld体育网址-ld体育欢迎你技术参数
1)风速:测量原理超声波,0~70m/s(±0.1m/s);
2)风向:测量原理超声波,0~360°(±1°);
3)空气温度:测量原理二极管结电压法,-40℃~85℃(±0.3℃);
4)空气湿度:测量原理电容式,0~100%RH(±2%RH);
5)大气压力:测量原理压阻式,300hPa~1100hPa(±0.02hPa);
6)采集器供电接口:GX-12-3P插头,输入电压5V,带RS232输出Json数据格式,采集器供电:DC5V±0.5V峰值电流1A,
7)传感器modbus、485接口:GX-12-4P插头,输出供电电压12V/1A,设备配置接口:GX-12-4P插头,输入电压5V
8)太阳能供电、配置铅酸电池,可选配30W 20AH/50W 40AH/100W 100AH.充电控制器:150W,MPPT自动功率点跟踪,效率提高20%
9)数据上传间隔:60s-65535s可调
10)7寸安卓触屏,屏幕尺寸:1024*600 RGB LCD
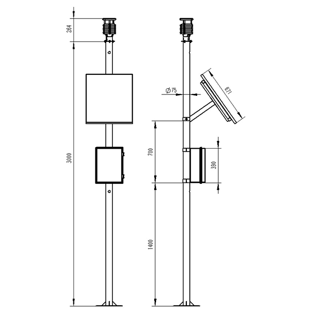
五、气象实时ld体育网址-ld体育欢迎你产品尺寸图

六、气象实时ld体育网址-ld体育欢迎你产品结构图

七、气象实时ld体育网址-ld体育欢迎你上位机软件介绍
1、PC单机版数据接收、存储、查看、分析软件
2、支持串口数据接收、处理、展示
3、支持json字符串、modbus485等通信方式
4、可自设置存储时间,modbus485采集模式下可自设置采集时间
5、支持自助增加、删除、修改监测参数的协议、名称、图标等
6、支持数据后处理功能
7、支持外置运行javascript脚本
八、气象实时ld体育网址-ld体育欢迎你安卓APP介绍
1、安卓单机版数据接收、存储、查看、分析软件
2、支持蓝牙数据接收
3、手机休眠后软件后台接收、处理
4、json数据自动添加设备,modbus设备支持扫码添加设备
5、支持历史数据查看、分析、导出表格,支持曲线展示、单数据点查看。
6、支持数据后处理功能
7、支持外置运行javascript脚本
九、气象实时ld体育网址-ld体育欢迎你云平台介绍
1、CS架构软件平台,支持手机、PC浏览器直接观测、无需额外安装软件。
2、支持多帐号、多设备登录
3、支持实时数据展示与历史数据展示仪表板
4、云服务器、云数据存储,稳定可靠,易于扩展,负载均衡。
5、支持短信报警及阈值设置
6、支持地图显示、查看设备信息。
7、支持数据曲线分析
8、支持数据导出表格形式
9、支持数据转发,HJ-212协议,TCP转发,http协议等。
10、支持数据后处理功能
11、支持外置运行javascript脚本
本文网址:https://www.ytqxz.com/csbqxz/337.html