山东ld体育网址-ld体育欢迎你有限公司
联系人:李经理
联系电话:13276363035
QQ:867220900
公司地址:山东省潍坊市高新区光电路155号光电产业加速器(一期)
PRODUCT
联系人:李经理
联系电话:13276363035
QQ:867220900
公司地址:山东省潍坊市高新区光电路155号光电产业加速器(一期)
产品型号:TH-B6B
产品品牌:云境天合
更新时间:2026-04-30
一、百叶箱传感器产品简介
山东ld体育网址-ld体育欢迎你有限公司作为专业研发生产销售微型气象仪的企业,一直致力于微型气象仪和气象环境解决方案推广应用。具有完整的生产链、实力雄厚的技术团队和全面的营销团队,我们研发生产的超声波风速风向仪、五要素微气象仪、六要素微气象仪和小型自动气象站等气象产品,已广泛应用到气象监测、城市环境监测、风力发电、航海船舶、航空机场、桥梁隧道等领域,客户遍布全国各地,并取得了良好的社会效益和经济效益。
与传统的微型气象仪相比,我司产品克服了对高精度计时器的需求,避免了因传感器启动延时、解调电路延时、温度变化而造成的测量不准问题。
TH-WQX6B型环境监测传感器创新性地将空气温度、湿度、pm2.5、pm10、噪声、光照通过一个高集成度结构来实现,可实现户外气象参数24小时连续在线监测,通过数字量通讯接口将六项参数一次性输出给用户。
二、百叶箱传感器产品特点
1、空气温度、湿度、pm2.5、pm10、噪声、光照六要素一体式
2、抗干扰能力强,具有看门狗电路,自动复位功能,保证系统稳定运行
3、高集成度,无移动部件,零磨损
4、免维护,无需现场校准
5、采用ASA工程塑料室外应用常年不变色
6、产品设计输出信号标配为RS485通讯接口(MODBUS协议);可选配232、USB、以太网接口,支持数据实时读取☆
7、可选配无线传输模块,最小传输间隔1分钟
三、百叶箱传感器技术参数
1)空气温度:-40℃~85℃(±0.3℃);
2)空气湿度:0~100%RH(±2%RH);
3)PM2.5:0-1000ug/m3(±15%)
4)PM10:0-1000ug/m3(±15%)
5)噪声:30~120dB(±1.5dB)
6)光照:0-20W LUX(5%)
7)生产企业具有ISO9001质量管理体系认证和计算机软件注册证书
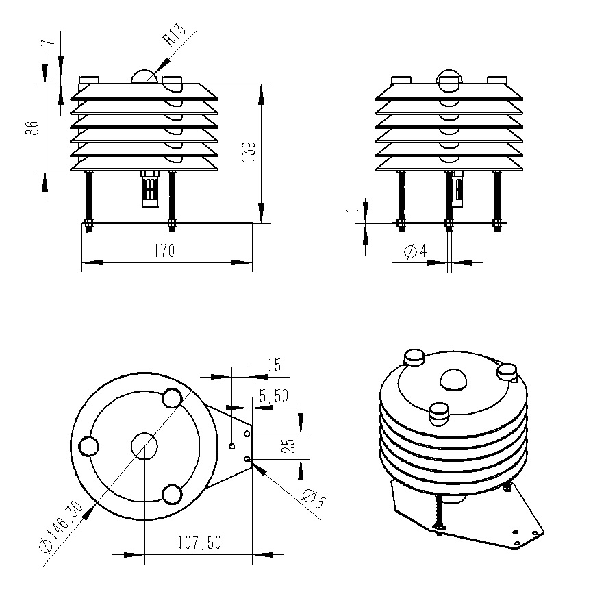
四、百叶箱传感器产品尺寸图

五、百叶箱传感器产品结构图

本文网址:https://www.ytqxz.com/byxcgq/96.html